DIY Floorstanding Speakers
Overview
This build is a DIY interpretation of the PMC FB1, a floorstanding two-way from PMC’s archive line known for its transmission-line bass loading and studio pedigree. I’m not using PMC drivers or a factory crossover; the goal is a home-build cabinet and system in the same spirit — compact floorstander, two-way layout, and a nod to the original’s proportions and engineering philosophy.
For background on the commercial speaker (design context, listening notes, and how it was received), see the Sound On Sound review: PMC FB1.
Technical Details
- Reference design: PMC FB1 (archive product page)
- Further reading: Sound On Sound — PMC FB1 review
Drivers (Vifa P17 & D25)
P17 and D25 are families of part numbers. The usual DIY “P17” mid/woofer is the P17WJ-00-08 (≈170 mm poly cone, cast basket). D25 tweeters include several domes (e.g. D25AG-05-06 aluminium dome, D25AG-35-06 chambered, silk D25TX variants, etc.). Check the label on your baskets and use the PDF that matches your suffix.
Datasheets and reference pages
- Woofer (P17WJ-00-08): archived factory-style PDF — P17WJ-00-08 datasheet (via Troels Gravesen); summary specs at Speakerboxlite — P17WJ-00-08. Scan-Speak’s Classic line carries the modern P17-class (~170 mm frame) units — see Madisound — Scan-Speak Classic “P17WJ-00” woofer and the Scan-Speak archives / datasheet listing (filter or search for 18W/ woofers).
- Tweeter (D25AG-05-06 example): D25AG-05-06 datasheet PDF (HiFiCompass mirror); related line info at NedLab — D25AG-05-06 notes. Chambered sibling: D25AG-35-06 PDF.
| Parameter | Vifa P17WJ-00-08 (woofer) | Vifa D25AG-05-06 (tweeter) |
|---|---|---|
| Nominal size (approx.) | ≈170 mm cone / frame class | 25 mm dome, 25 mm voice coil |
| Nominal impedance | 8 Ω | 6 Ω |
| Sensitivity (2.83 V / 1 m) | ≈ 88 dB | ≈ 91-92 dB |
| Resonance fs | ≈ 37 Hz | ≈ 1.5 kHz (free-air resonance region) |
| Vas | ≈ 35 L | - |
| Rated / long-term power | ≈ 40 W RMS class (sources vary) | Per datasheet (HF / IEC noise tests) |
Construction gallery
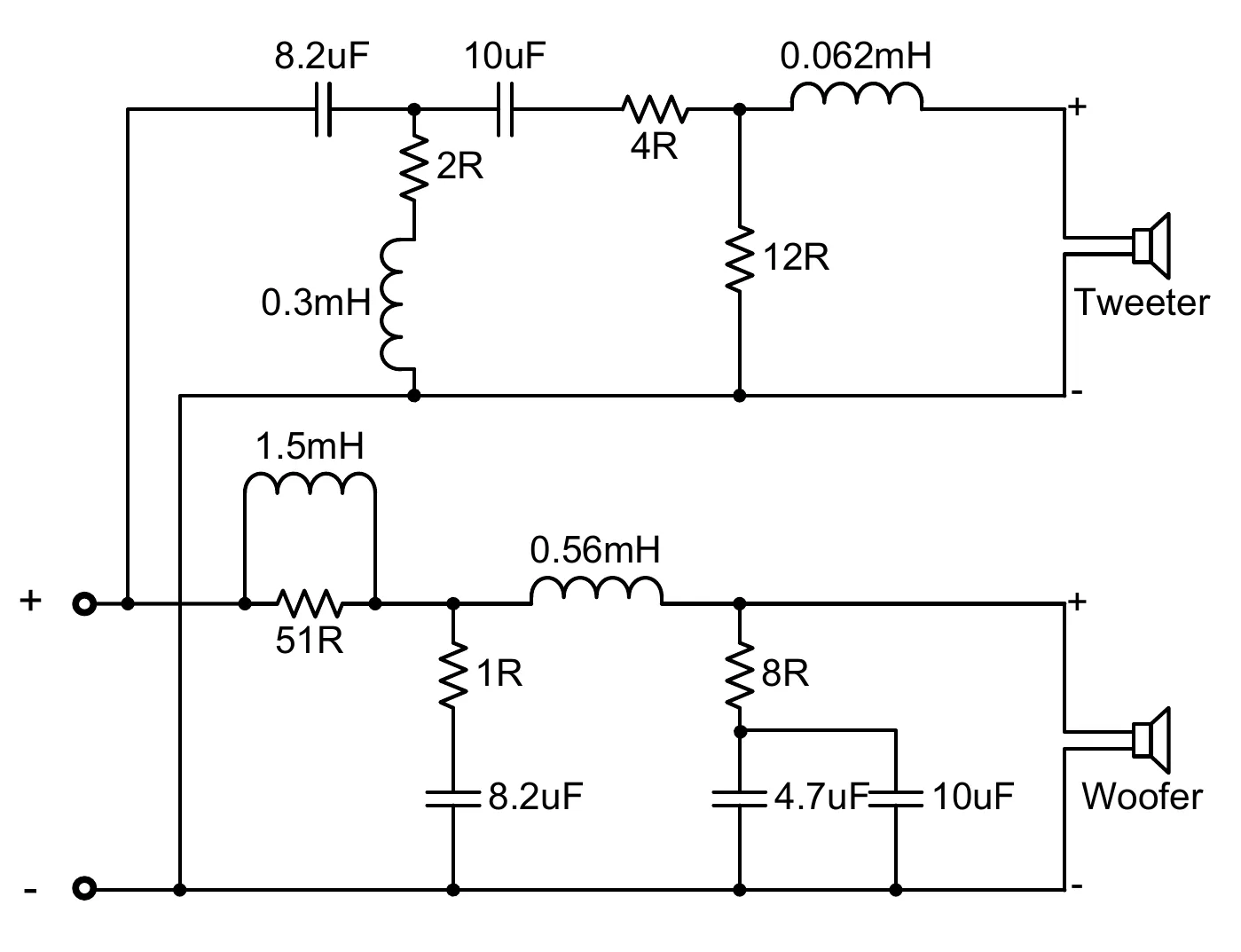
Photos from the Peerless floorstander project folder: crossover wired on the board, cabinet shells and bracing, veneering in the garage, and the finished pair (plus matching sub) in the room. The crossover schematic appears last in the grid.
Click an image for a full-size lightbox (zoom / pan).





Cabinet Design
Outer cabinet (external): 965 mm tall × 200 mm wide × 250 mm deep (height × width × depth).
Cabinet layout and driver positions (design export).

Last modified: 17 Apr 2026